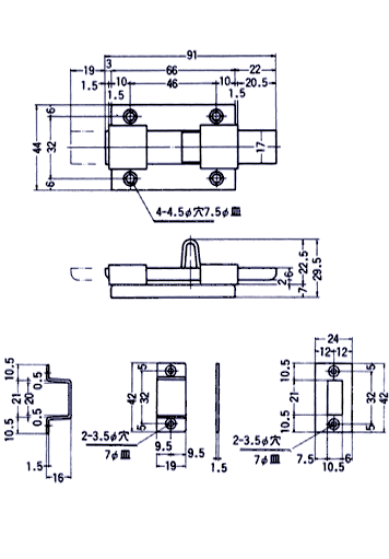
ƒXƒ‰ƒCƒhŠpƒ‰ƒbƒ`i•‹yŒ^j
Þ@Ž¿@ SUS-304
Žd@ã@ ƒwƒA[ƒ‰ƒCƒ“
•t‘®•i@ 3~19@ŽM–Ø@6–{@
iSUS-304j
“ü@”@ 10-100‚r‚d‚s“ü

–ß‚é