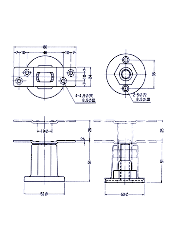
自在T型サポート(小)
材 質  SUS-304
仕 上  ヘアーライン
付属品 
4×25 皿タッピング 2本
4×30 皿タッピング 4本
(SUS-304)
10×25 カールプラグ 2ヶ
入 数  10-200SET入

戻る