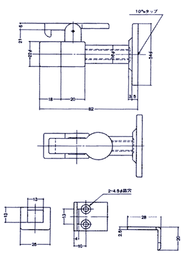
K型自動式戸当り・巾木用
材 質  SUS-304
仕 上  ヘアーライン
機 能  10oホールインアンカー用
入 数  10-100SET入

戻る