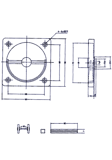
角型ケースハンドル(90o角)
材 質  SUS-304
仕 上  ヘアーライン
入 数  5-90SET入

戻る