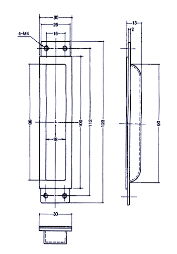
段付舟底引手(小)
材 質  SUS-304
仕 上  ヘアーライン
入 数  40-480SET入
(30o×100o)

戻る