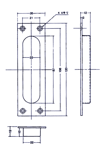
彫込引手(小)
材 質  SUS-304
仕 上  ヘアーライン
入 数  40-480SET入
(35o×120o)

戻る