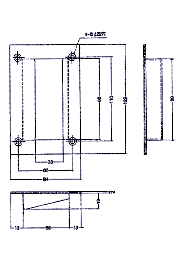
防火引手
材 質  SUS-304
仕 上  ヘアーライン
入 数  10-100SET入

戻る