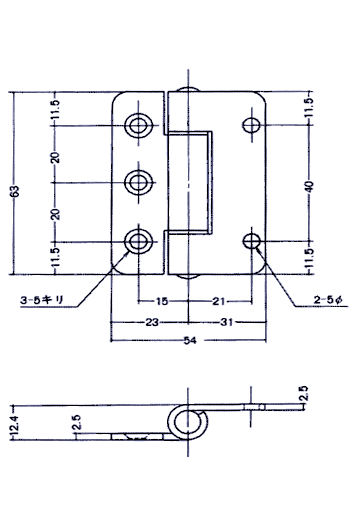
サッシュ丁双・段付用
材 質  SUS-304
仕 上  電解メッキ
入 数  35-210枚入

戻る